电动执行器是工业过程控制系统中一个十分重要的现场驱动装置,其能源取用方便、安装调试简单,在电力、冶金、石油、化工等工业部门得到越来越广泛的应用。电动执行器包括电动执行机构和调节阀两部分,控制精度主要决定于电动执行机构的控制性能,它能够将系统的控制信号转换成输出轴的角位移、直线位移,控制阀门等截流件的位置或其它调节机构,使被控介质按系统要求状态工作。
铸铁软密封电动蝶阀介绍
一、铸铁软密封电动蝶阀铸铁蝶阀与电动执行器组成,电动蝶阀是用圆形蝶板作启闭件并随阀杆转动来开启、关闭和调节流体通道的一种阀门。蝶阀不仅结构简单、体积小、重量轻、材料耗用省,安装尺寸小,而且驱动力矩小,操作简便、迅速,并且还同时具有良好的流量调节功能和关闭密封特性,在大中口径、中低压力的使用领域,蝶阀是主导的阀门形式。
产品符合国家GB/T13927-92阀门压力试验标准。它广泛应用于电力、环保、化工、钢厂、石油等行业的工业过程自动控制系统中。
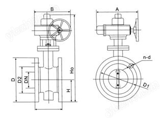
二、结构

三、结构特点
1、小型轻便,容易拆装及维修,并可在任意位置安装
2、结构简单,紧凑,90°回转启闭迅速
3、操作扭矩小,省力轻巧
4、流量特性趋于直线,调节性能好
5、启闭试验次数多达数万次,寿命长
6、达到*密封,气体试验泄露为零
7、选择不同零部件材质,可适用于多种介质