一、电动调节对夹软密封蝶阀该蝶阀阀体材质为铸铁或球铁材质,连接方式为对夹连接,公称压力:1.6MPa(16公斤),公称通径(阀门口径)DN50mm,不锈钢材质适用介质为水等介质,密封面材料为软密封。
补充说明:电动对夹式硬密封蝶阀分硬密封和软密封,硬密封蝶阀型号主要是:D973H,软密封的主要型号是:D971X广泛使用、化工、建材、电站、玻璃等行业中的通风、环保工程的含尘冷风或热风气体管道中,作为气体介质调节流量或切断装置。
电动对夹式硬密封蝶阀是一种密封型蝶阀,广泛适用于建材、冶金、矿山、电力等生产过程种介质温度≤550℃公称压力为2.5Mpa的管道上,用以连通、启闭或截止介质量。
二、电动调节对夹软密封蝶阀由调节型电动执行器与对夹蝶阀组成,蝶阀是用阀杆一起转动的蝶板作启闭件,用以实现阀门的开启,关闭与调节。衬里蝶阀是在过流部件、阀体、蝶板、阀杆上采用衬里技术衬里较厚的高分子材料,防腐蚀性能优良,可适用于任何浓度的酸、碱、盐及氧化剂、还原剂、有机溶剂等介质,是化工、石油、医药、食品、钢铁冶炼、造纸、水电等系统的气体、液体、半流体的管路和容器上作截流和调节设备使用的理想产品,并可取代闸阀、截止阀和其它类型的切断、调节阀门。
特点
1.阀座与蝶板几乎无磨损,具有越观越紧的密封功能。
2.本阀具有双向密封功能,安装时不受介质流向的限制,也不受空间位置的影响,可在任何方向安装。
3.均具有优良的密封性能,具有耐腐蚀,使用寿命长等特点。
4.采用中线式碟板与短结构钢板焊接的新型结构形式设计制造的,结构紧凑、重量轻、便于安装、流阻小、流通量大,避免高温膨胀的影响,操作轻便。
5.内无连杆、螺栓等、工作可靠、使用寿命长。可以多工位安装,不受介质流向影响。
图片展示:
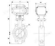
四、外形图及尺寸

本蝶阀系采用中线式碟板与短结构钢板焊接的新型结构形式设计制造的,结构紧凑、重量轻、便于安装、流阻小、流通量大,避免高温膨胀的影响,操作轻便。体内无连杆、螺栓等、工作可靠、使用寿命长。可以多工位安装,不受介质流向影响。
电动执行器 | 开关式,无源触点开关式,电位计式,智能调节式 |
公称通经 | 50~1200mm(可定做25、32、40) |
公称压力 | 1.0~1.6MPa |
适用温度 | EPDM:-29~+120℃ |
NBR:-29~+80℃ |
连接方式 | 对夹 |
阀结构 | A型、LT型 |
阀体材质 | 铸铁、碳钢 |
阀板材质 | 304、316、尼龙板、铸铁镀镍 铝青铜(过海水) |
阀座材质 | EPDM、NBR PTFE |
适用介质 | 水及液体类介质 |
可选附件 | 限位开关、定位器、电磁阀、减压阀 |
DN | A | B | C | D | E |
DN25 | 52 | 349 | 155 | 101 | 32 |
DN32 | 57 | 349 | 155 | 101 | 32 |
DN40 | 57 | 349 | 155 | 101 | 32 |
DN50 | 62 | 352 | 155 | 101 | 43 |
DN65 | 70 | 362 | 155 | 101 | 46 |
DN80 | 89 | 368 | 155 | 101 | 46 |
DN100 | 106 | 392 | 208 | 120 | 52 |
DN125 | 120 | 407 | 208 | 120 | 56 |
DN150 | 132 | 446 | 256 | 156 | 56 |
DN200 | 164 | 489 | 256 | 156 | 60 |
DN250 | 200 | 514 | 256 | 156 | 68 |
DN300 | 238 | 568 | 280 | 156 | 78 |
DN350 | 280 | 629 | 280 | 156 | 78 |
DN400 | 302 | 662 | 280 | 156 | 102 |
DN450 | 335 | 693 | 280 | 156 | 114 |
DN500 | 360 | 729 | 280 | 156 | 127 |
D971X-16 DN40,D971X-16 DN50,D971X-16 DN65,D971X-16 DN80,D971X-16 DN100,D971X-16 DN125,D971X-16 DN150,D971X-16 DN200,D971X-16 DN250,D971X-16 DN300,D971X-16 DN350,D971X-16 DN400,D971X-16 DN450,D971X-16 DN500,D971X-16 DN600,D971X-16 DN700,D971X-16 DN800,D971X-16 DN900,D971X-16 DN1000,D971X-16 DN1200,D971X-16 DN1400,D971X-16 DN1600,D971X-16 DN1800,D971X-16 DN2000,D971X-16 DN2200,D971X-16 DN2400,D971X-16 DN2500,D971X-16 DN2600,D971X-16 DN2800